「*コラム:熱風式焙煎機の進展。」の版間の差分
表示
細編集の要約なし |
細編集の要約なし |
||
| 8行目: | 8行目: | ||
熱風式の焙煎機は、豆を焦がさずに短時間の焙煎が可能になっただけでなく、排気熱風を再度焙煎に活用する事により、従来より約20-30%の省エネを可能となった(リサキュレーション方式)。また不要なチャフを効率よく分離するサイクロンが活用出来るようになる。このようなメリットがあり工業用大型ドラム焙煎機の主流となる。 | 熱風式の焙煎機は、豆を焦がさずに短時間の焙煎が可能になっただけでなく、排気熱風を再度焙煎に活用する事により、従来より約20-30%の省エネを可能となった(リサキュレーション方式)。また不要なチャフを効率よく分離するサイクロンが活用出来るようになる。このようなメリットがあり工業用大型ドラム焙煎機の主流となる。 | ||
=== '''熱風式焙煎機の進展''' === | === '''熱風式焙煎機の進展''' === | ||
| 15行目: | 13行目: | ||
* 1899年:ゴットホット社が熱風式焙煎機「イデアル・ラビット」を開発。 | * 1899年:ゴットホット社が熱風式焙煎機「イデアル・ラビット」を開発。 | ||
* 1908年:テオドール・フォーゲラーTheodor Vogelerが最初の熱風式ドラム焙煎機(図2)を開発(特許)。 | * 1908年:テオドール・フォーゲラーTheodor Vogelerが最初の熱風式ドラム焙煎機(図2)を開発(特許)。 | ||
* [[ファイル:図1908焙煎機.jpg|代替文=図2:1908年テオドール・フォーゲラーのドラム焙煎機。Theodor Vogelers DEpatent209214より。 | * [[ファイル:図1908焙煎機.jpg|代替文=図2:1908年テオドール・フォーゲラーのドラム焙煎機。Theodor Vogelers DEpatent209214より。|サムネイル|図2:1908年テオドール・フォーゲラーのドラム焙煎機。Theodor Vogelers DEpatent209214より。]]1925年:バーンズ社が焙煎シリンダーの入口にガスバーナーを設置したジュビリーJubilee焙煎機を開発(特許)。 | ||
* 1934年:バーンズ社はバーナーを焙煎シリンダーの外部に移動させ燃焼室を設けた熱風式の「サーマルThermal」焙煎機を開発(特許)。 | * 1934年:バーンズ社はバーナーを焙煎シリンダーの外部に移動させ燃焼室を設けた熱風式の「サーマルThermal」焙煎機を開発(特許)。 | ||
* 1969年:ゴットホット社が「ラピド・ノバ」焙煎機を開発。 | * 1969年:ゴットホット社が「ラピド・ノバ」焙煎機を開発。 | ||
| 24行目: | 22行目: | ||
これと並行して焙煎釜に攪拌装置が無く熱風自体で攪拌する焙煎機が登場する。 | これと並行して焙煎釜に攪拌装置が無く熱風自体で攪拌する焙煎機が登場する。 | ||
* 1974年:釜に直接熱風を吹込み焙煎する流動床焙煎機の特許をマイケル・シュベッツMichael Sivetzが取得(図3,4)。その特許を購入しドイツのノイハウス・ネオテックNeuhaus Neotec社が工業用の流動床焙煎機を製造しインスタントコーヒー用などに広く活用されている。焙煎時間は5-10分と短い。 | * 1974年:釜に直接熱風を吹込み焙煎する流動床焙煎機の特許をマイケル・シュベッツMichael Sivetzが取得(図3,4)。その特許を購入しドイツのノイハウス・ネオテックNeuhaus Neotec社が工業用の流動床焙煎機を製造しインスタントコーヒー用などに広く活用されている。焙煎時間は5-10分と短い。[[ファイル:Sievetz流動床.jpg|代替文=図3:マイケル・シュベッツの流動床焙煎機。Michael Sivetz USpatent3964175 1976より。|サムネイル|190x190ピクセル|図3:マイケル・シュベッツの流動床焙煎機。Michael Sivetz USpatent3964175 1976より。]] | ||
現在では必要に応じて対流伝熱と伝導伝熱のバランスを考慮した焙煎機設計がなされている。 (高橋孝夫) | 現在では必要に応じて対流伝熱と伝導伝熱のバランスを考慮した焙煎機設計がなされている。 (高橋孝夫) | ||
2025年3月10日 (月) 10:00時点における版
*コラム:熱風式焙煎機の進展
熱風焙煎の始まり

19世紀後半頃までコーヒー焙煎機の方式は伝導伝熱が主体となっていた。しかし、19世紀後半にガスを燃料とする焙煎機が現れ機械も大型化し、焙煎時に発生する煙やチャフ粉体などを強制排気するためのファンも導入された。これにより熱風をドラム内部に引き込み、結果として伝導伝熱に対流伝熱が加味された。しかし必ずしも対流伝熱を主体として設計された焙煎機ではなかった。
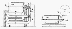
コーヒー焙煎における対流伝熱の重要性を提唱した最初の人物は、ドイツの発明家カール・ザロモンCarl Salomonで、彼は1892年に“コーヒー焙煎のプロセスPROCESS OF ROASTING COFFEE”で熱風式焙煎機の特許を取得した(図1)。その中で熱風による対流はドラム壁からの伝導伝熱よりも熱伝導効率が高く、熱風温度を低くして豆の表面を焦がすリスクなしに、はるかに短時間( 5~10分)での焙煎が可能になるプロセスを発表した。
熱風式の焙煎機は、豆を焦がさずに短時間の焙煎が可能になっただけでなく、排気熱風を再度焙煎に活用する事により、従来より約20-30%の省エネを可能となった(リサキュレーション方式)。また不要なチャフを効率よく分離するサイクロンが活用出来るようになる。このようなメリットがあり工業用大型ドラム焙煎機の主流となる。
熱風式焙煎機の進展
- 1892年:ドイツのカール・ザロモンが熱風制御の特許を取得。
- 1899年:ゴットホット社が熱風式焙煎機「イデアル・ラビット」を開発。
- 1908年:テオドール・フォーゲラーTheodor Vogelerが最初の熱風式ドラム焙煎機(図2)を開発(特許)。
1925年:バーンズ社が焙煎シリンダーの入口にガスバーナーを設置したジュビリーJubilee焙煎機を開発(特許)。
図2:1908年テオドール・フォーゲラーのドラム焙煎機。Theodor Vogelers DEpatent209214より。 - 1934年:バーンズ社はバーナーを焙煎シリンダーの外部に移動させ燃焼室を設けた熱風式の「サーマルThermal」焙煎機を開発(特許)。
- 1969年:ゴットホット社が「ラピド・ノバ」焙煎機を開発。
- 1969年:プロバット社もゴットホット社のラピド・ノバ焙煎機の後継機熱風式のジュピター シリーズ製造開始。
- 1973年:プロバット社は遠心式焙煎機の熱風焙煎機サターン製造開発
- 20世紀中期以降、イタリアのスコラリScolari社やペトロンチーニPetroncini社など世界の焙煎機メーカーが熱風式の工業用ドラム焙煎機を市場に投入する。
これと並行して焙煎釜に攪拌装置が無く熱風自体で攪拌する焙煎機が登場する。
- 1974年:釜に直接熱風を吹込み焙煎する流動床焙煎機の特許をマイケル・シュベッツMichael Sivetzが取得(図3,4)。その特許を購入しドイツのノイハウス・ネオテックNeuhaus Neotec社が工業用の流動床焙煎機を製造しインスタントコーヒー用などに広く活用されている。焙煎時間は5-10分と短い。

図3:マイケル・シュベッツの流動床焙煎機。Michael Sivetz USpatent3964175 1976より。
現在では必要に応じて対流伝熱と伝導伝熱のバランスを考慮した焙煎機設計がなされている。 (高橋孝夫)
参考文献
- William H. Ukers, ”All About Coffee” 1922 New York
- Carl Salomonカール・サロモンUS patent 474,531(1892)
- Theodor Vogeler’s 1908 design DE patent 209,214 (1908)
- Jabez Burns&Sons社、Jubileeロースター、 US patent1,532,574 (1922)
- Jabez Burns&Sons社 et al.、 Roasting Methods, US patent 1991190(1935)
- Sivetzのホームページ:https://www.sivetz.com/about
- Heinrich Caasen’s design for a fluid-bed roaster DE472391C(1926)
- Gothot-Nova、US patent 3,608,202 (1971)
- Michael Sivetz US patent 3,964,175( 1976)
- Goldfine’s US patent 2,348,066 (1944)
- Who Really Invented the Air Roaster? (2023.12.14):https://www.baristahustle.com/blog/who-really-invented-the-air-roaster/
- COMPARING DRUM to Hot Air Fluid Bed Coffee Bean Roastinghttps://web.archive.org/web/20070510052751:/http:/www.sivetzcoffee.com/newsletter/Drum vs air May02.htm
- A guide to fluid bed coffee roasters:https://perfectdailygrind.com/2021/05/a-guide-to-fluid-bed-coffee-roasters/
コーヒー歴史年表に戻る。